EN

EN

PRODUCTS

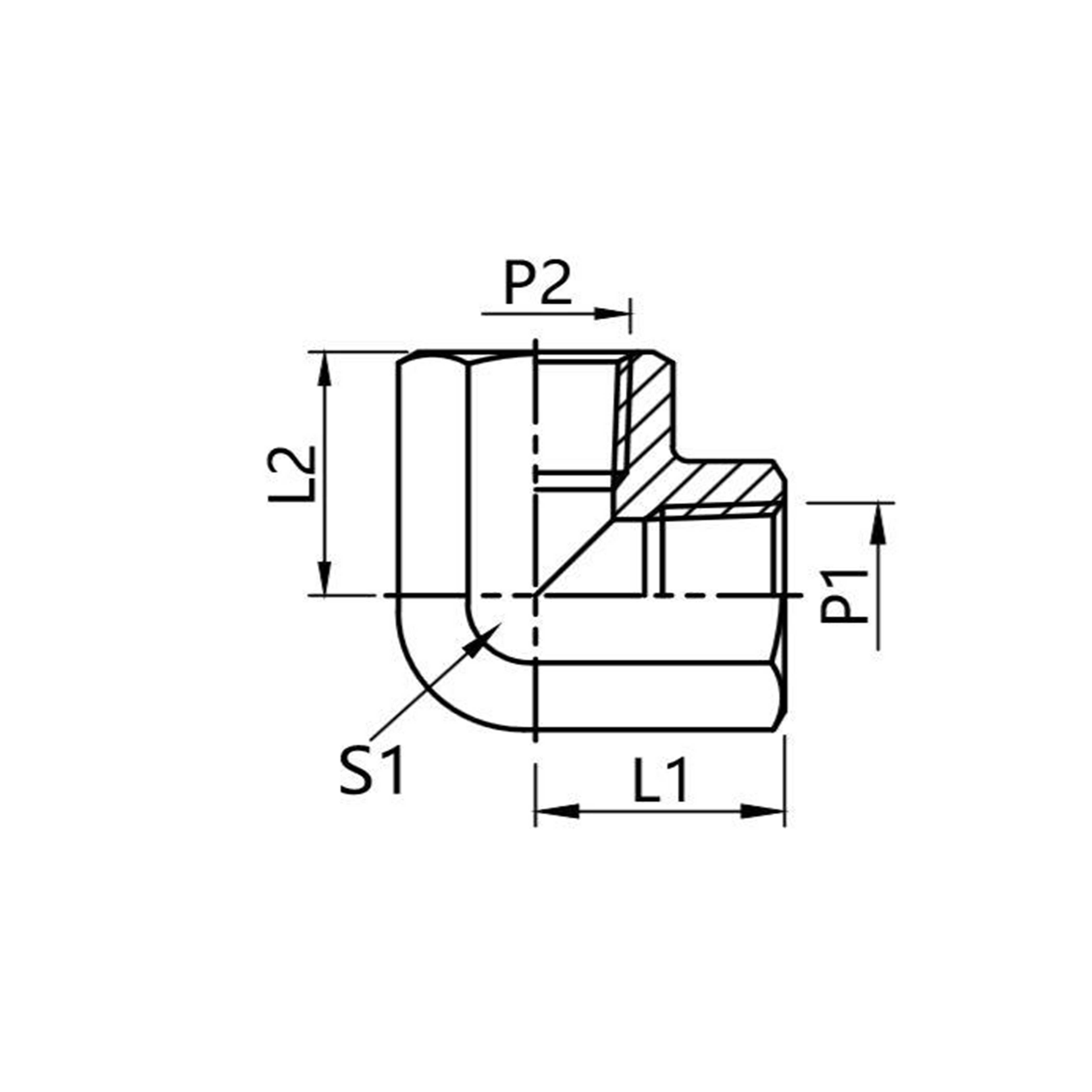
7T9-PK 90° Bend Taper Pipe Female Thread adapter

Product:

7T9-PK 90° Bend Taper Pipe Female Thread adapter

Description:

Regular supply carbon steel/galvanized surface

Consult Now

+86 0551-67291852

WhatsApp

Product Details

Regular supply carbon steel/galvanized surface                                                                                                                                          7T9-PK  90° Bend Taper Pipe Female Thread connector(图1)7T9-PK.pdf

QQ20250328-170238.png