ES

ES

PRODUCTOS

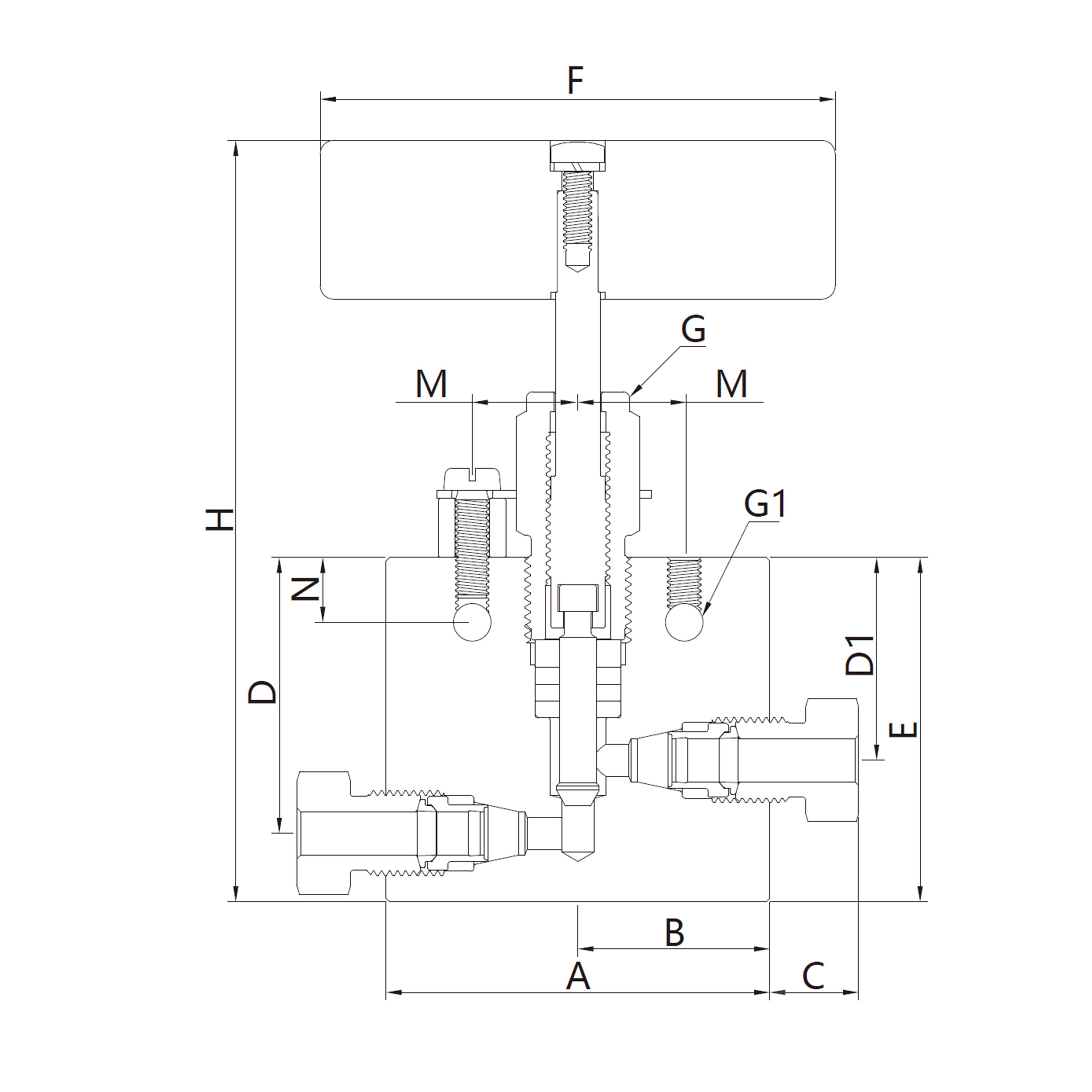
15N (conexión para tubo, dos vías)Recto

Producto:

15N (conexión para tubo, dos vías)Recto

Descripción:

Consulte ahora

+86 0551-67291852

WhatsApp

Detalles del producto

                                                                                                                                                                                                            15N(Tube Connection, 2-Way)Straight(图1)Straight.pdf

QQ20250524-124344.png