PRODUCTOS
PRODUCTOS
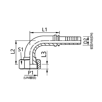
ISO 12151-1, SAE J516
Suministro estándar: acero al carbono / superficie galvanizada
24291 para mangueras trenzadas
24292 para mangueras espirales
+86 0551-67291852
ISO 12151-1, SAE J516
Suministro estándar: acero al carbono / superficie galvanizada
24291 para mangueras trenzadas
24292 para mangueras espirales
24291.pdf

