PRODUCTOS
PRODUCTOS
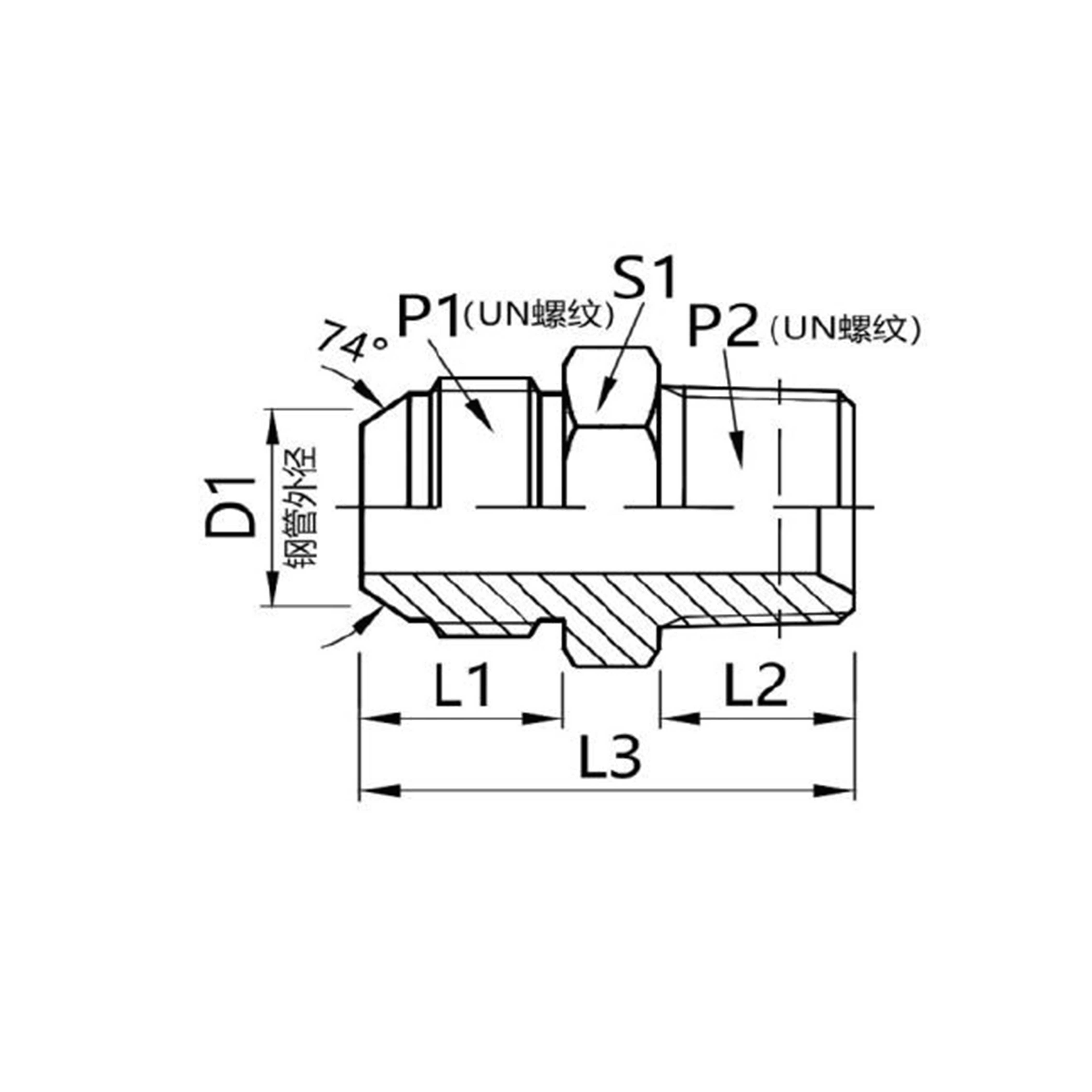
Racores según normas SAE J514 / ISO 8434-2
Suministro estándar: acero al carbono / superficie galvanizada, acero inoxidable
+86 0551-67291852
Racores según normas SAE J514 / ISO 8434-2
Suministro estándar: acero al carbono / superficie galvanizada, acero inoxidable
1JN.pdf

