ES

ES

PRODUCTOS

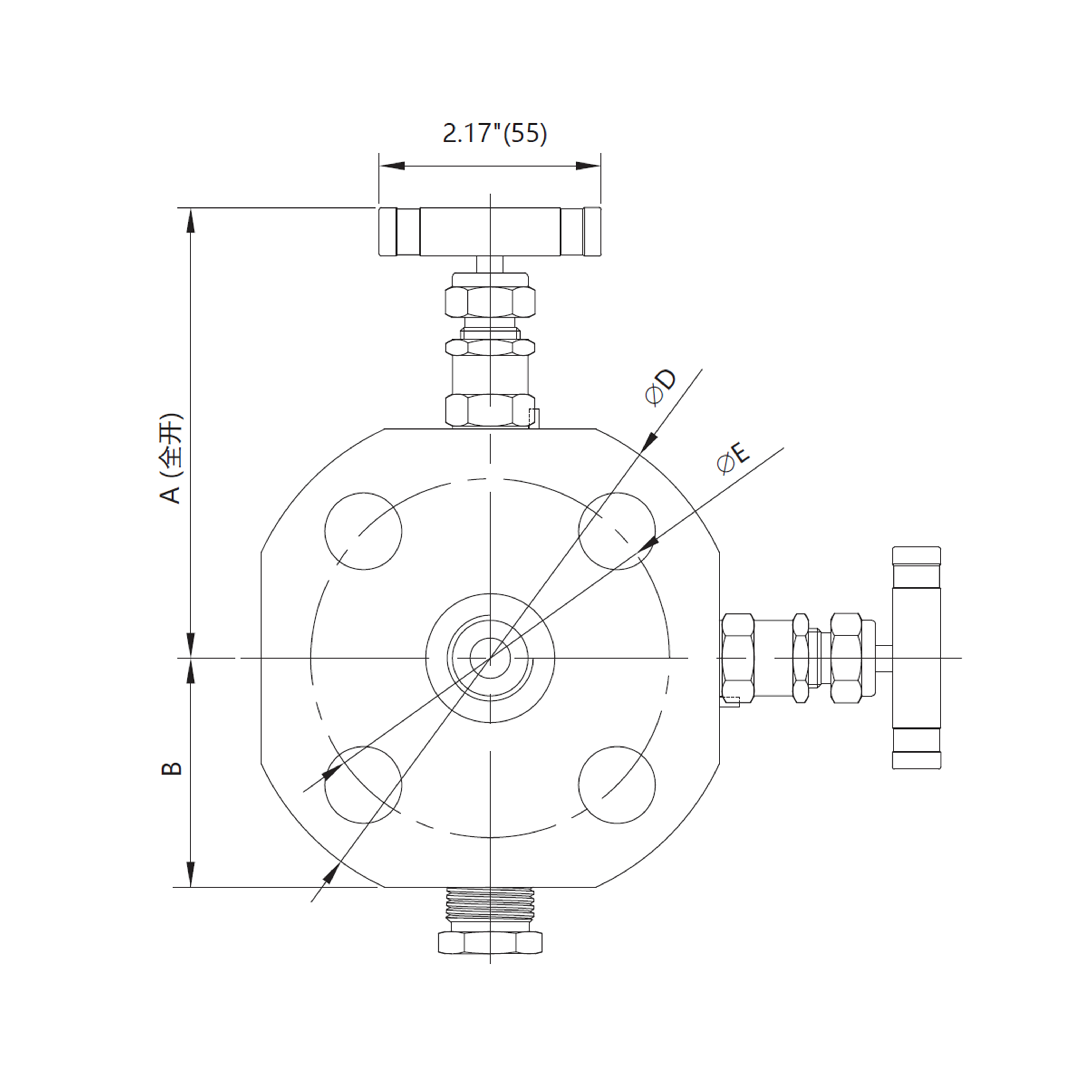
Válvula BB de brida simple

Producto:

Válvula BB de brida simple

Descripción:

Consulte ahora

+86 0551-67291852

WhatsApp

Detalles del producto

                                                                                                                                                                                                                        

                                                                                                                                                                                                                      Flanged Single Block and Bleed Valves(BB)(图1)BB.pdf

QQ20250829-144107.png