PRODUCTOS
PRODUCTOS
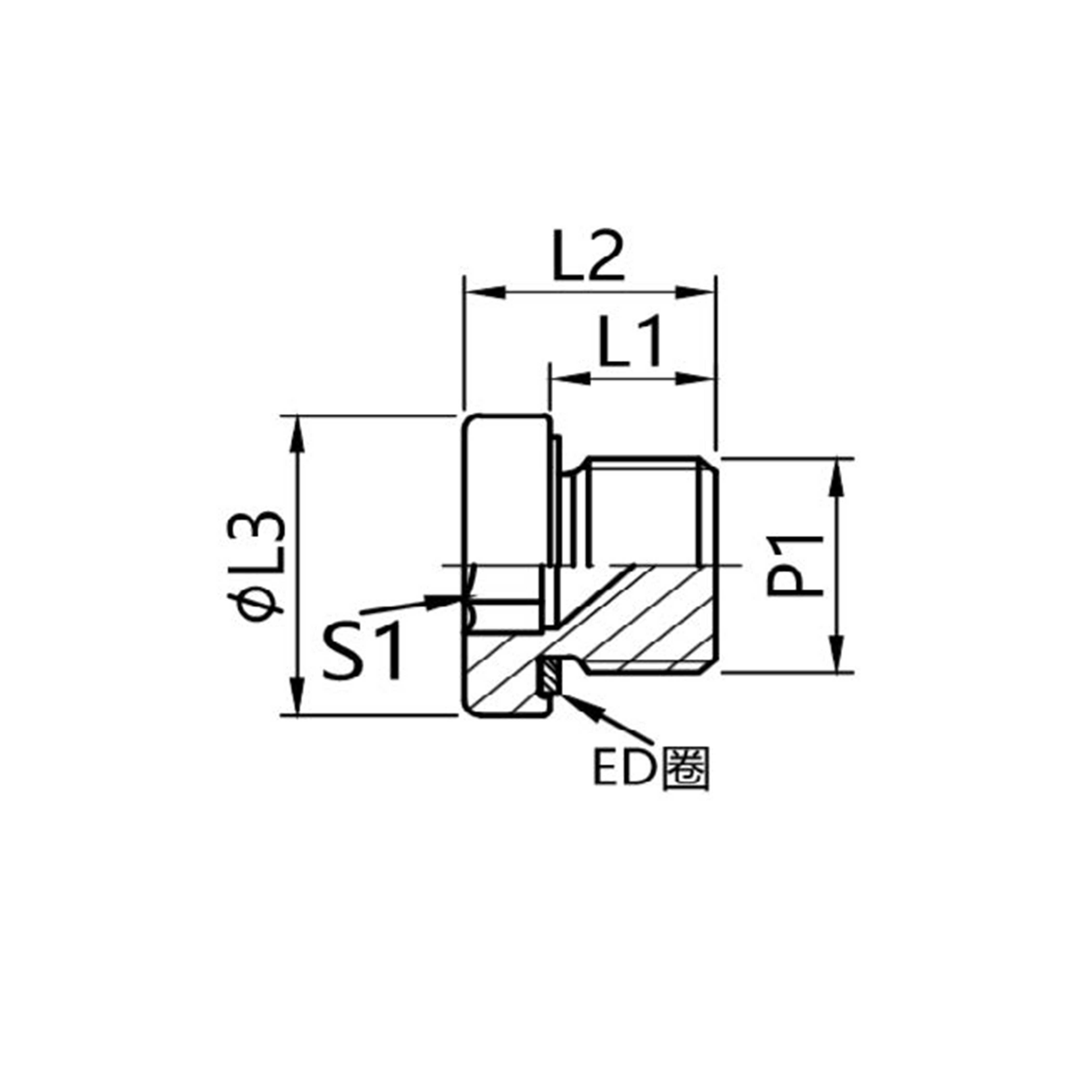
Suministro estándar: acero al carbono / superficie galvanizada, acero inoxidable
Disponible con juntas de FKM (fluoroelastómero)
+86 0551-67291852
Suministro estándar: acero al carbono / superficie galvanizada, acero inoxidable
Disponible con juntas de FKM (fluoroelastómero)
VSTI-M-ED.pdf

