PRODUCTOS
PRODUCTOS
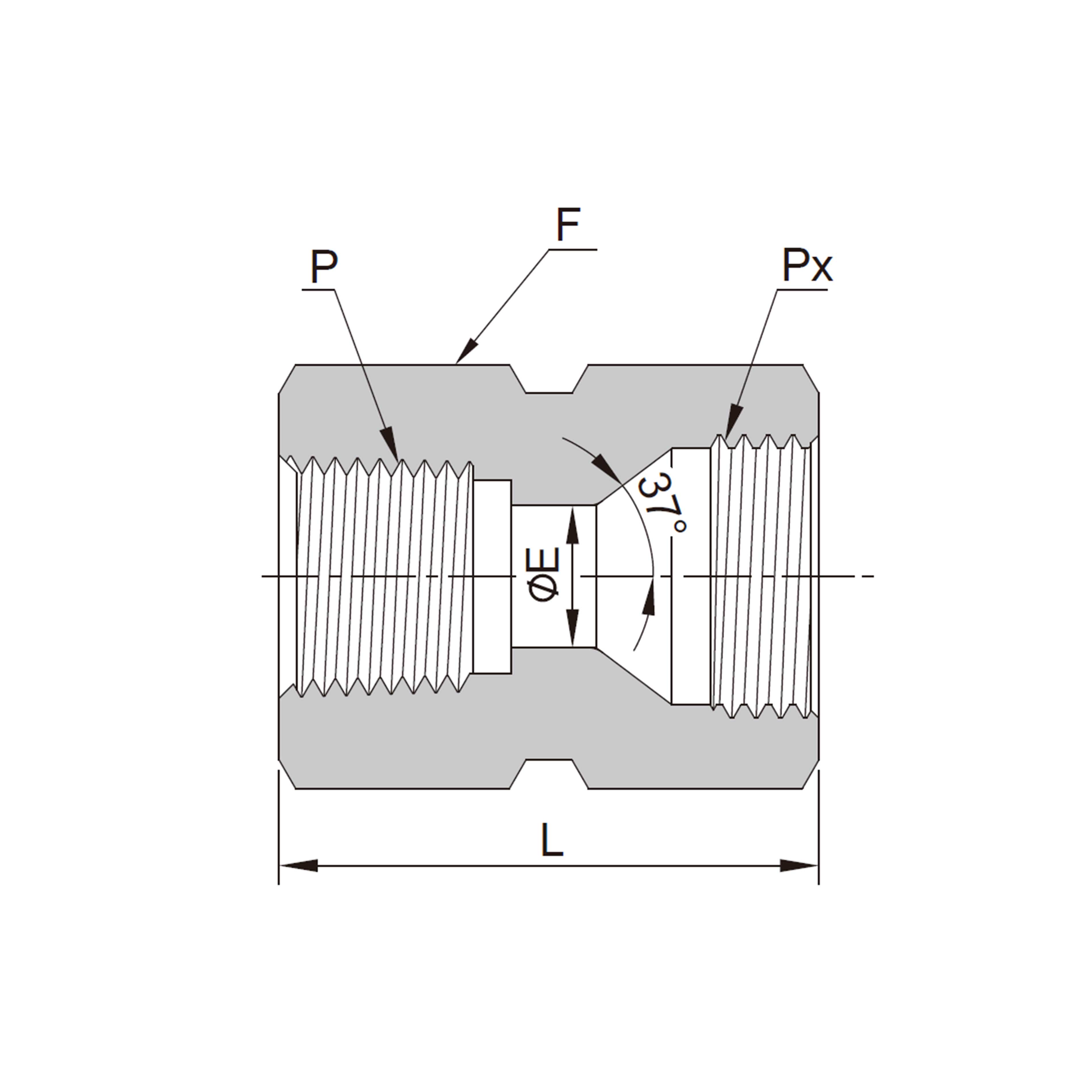
Conector hexagonal de rosca externa JIC a rosca externa JIC.
Conector hexagonal recto prolongado con rosca externa.
Conector hexagonal recto con rosca interna NPT o cónica ISO.
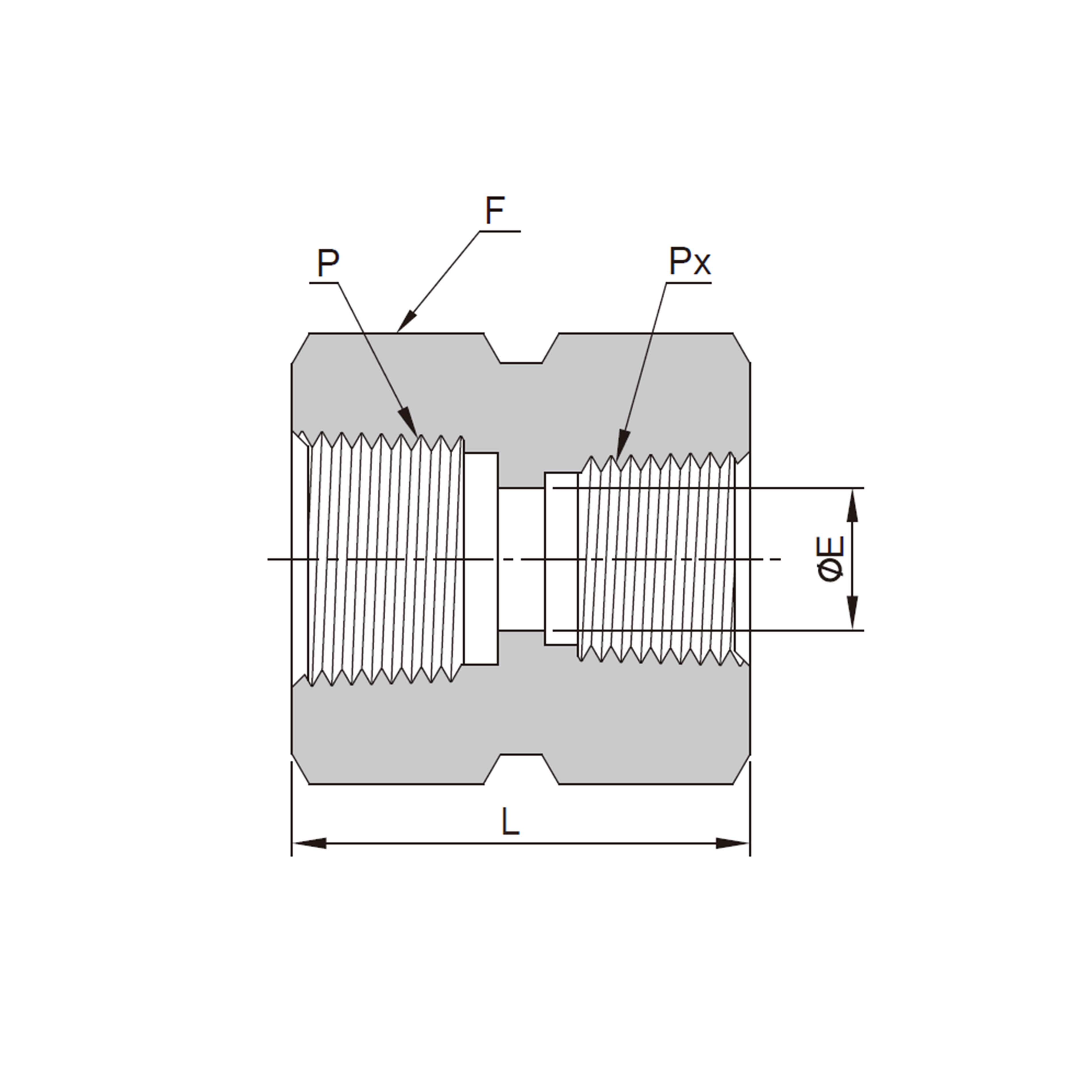
Conector hexagonal recto de rosca interna NPT a rosca interna JIC.
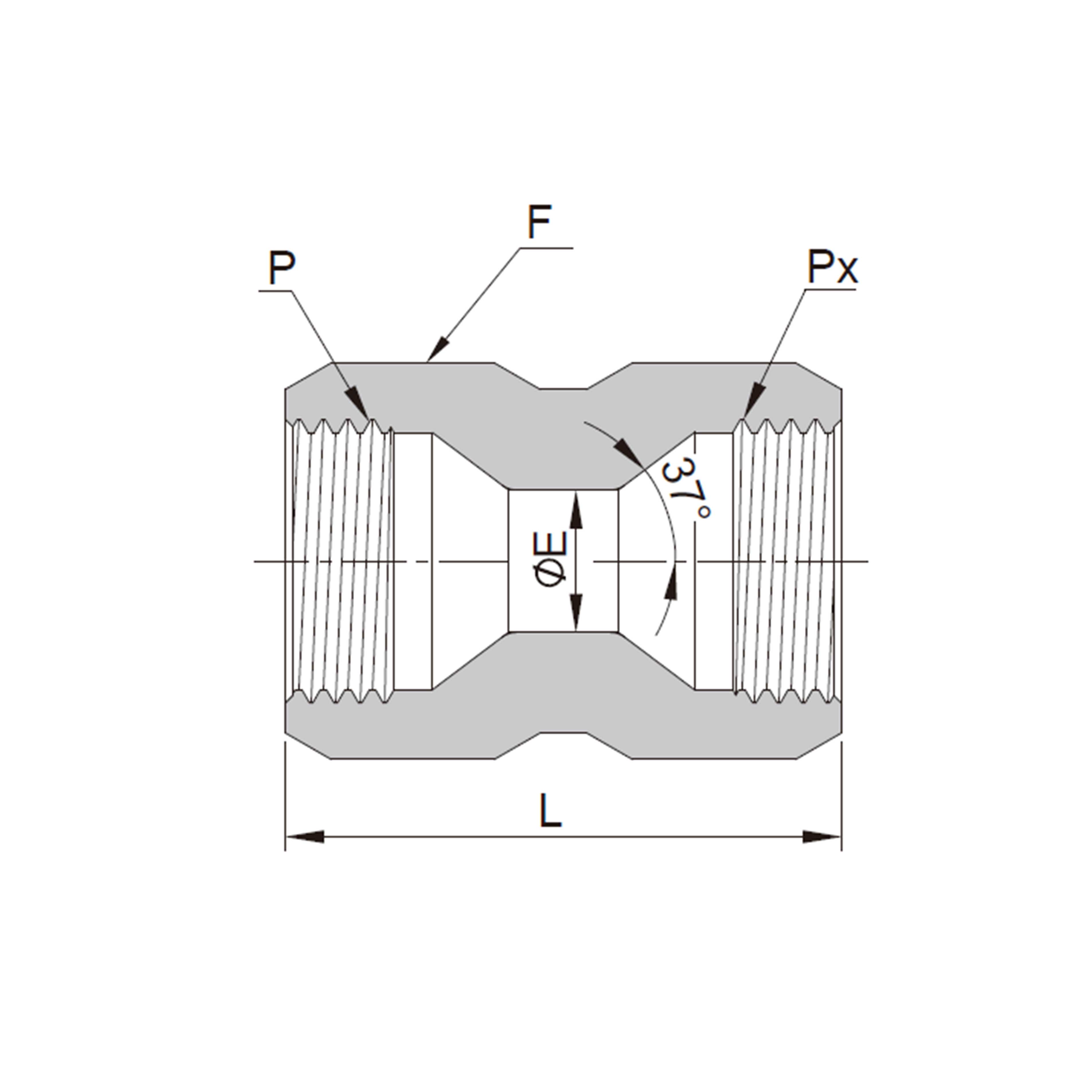
Conector hexagonal recto de rosca interna JIC a rosca interna JIC.
Conector con sellado de cara mediante junta tórica (O-Ring).
