PRODUCTOS
PRODUCTOS
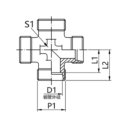
Conforme a ISO 8434-1, conexión de anillo de compresión 24°
Suministro estándar: acero al carbono / superficie galvanizada, tubos de acero inoxidable
+86 0551-67291852
Conforme a ISO 8434-1, conexión de anillo de compresión 24°
Suministro estándar: acero al carbono / superficie galvanizada, tubos de acero inoxidable
K.pdf

