PRODUCTOS
PRODUCTOS
ISO 12151-2
Series ligera/pesada – Racores 24° cónico con junta tórica
Suministro estándar: acero al carbono / superficie galvanizada
Disponible con juntas de FKM (fluoroelastómero)
20411Y, 20511Y para mangueras trenzadas
20412Y, 20512Y para mangueras espirales
+86 0551-67291852
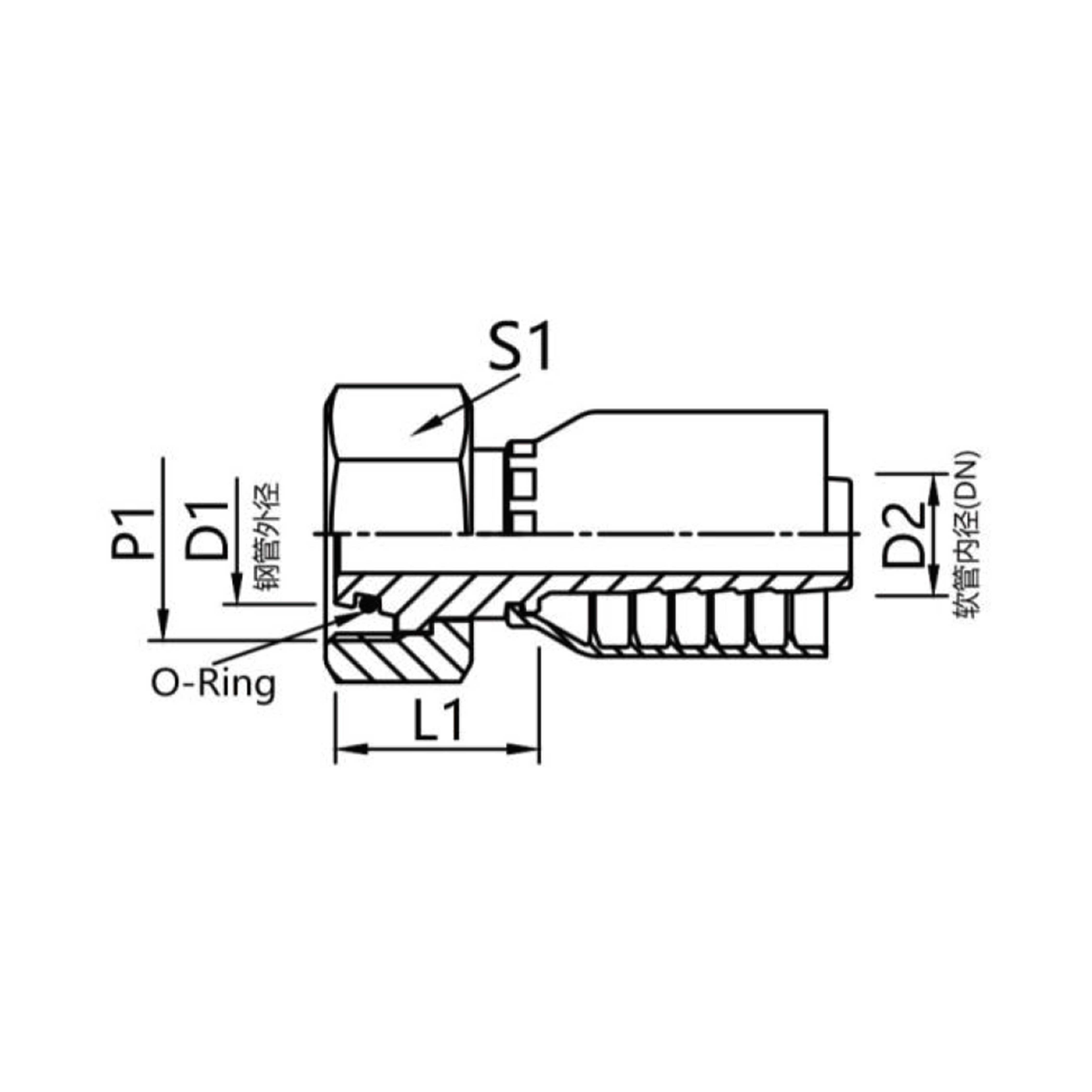
ISO 12151-2
Series ligera/pesada – Racores 24° cónico con junta tórica
Suministro estándar: acero al carbono / superficie galvanizada
Disponible con juntas de FKM (fluoroelastómero)
20411Y, 20511Y para mangueras trenzadas
20412Y, 20512Y para mangueras espirales
20411Y.pdf

