PRODUCTOS
PRODUCTOS
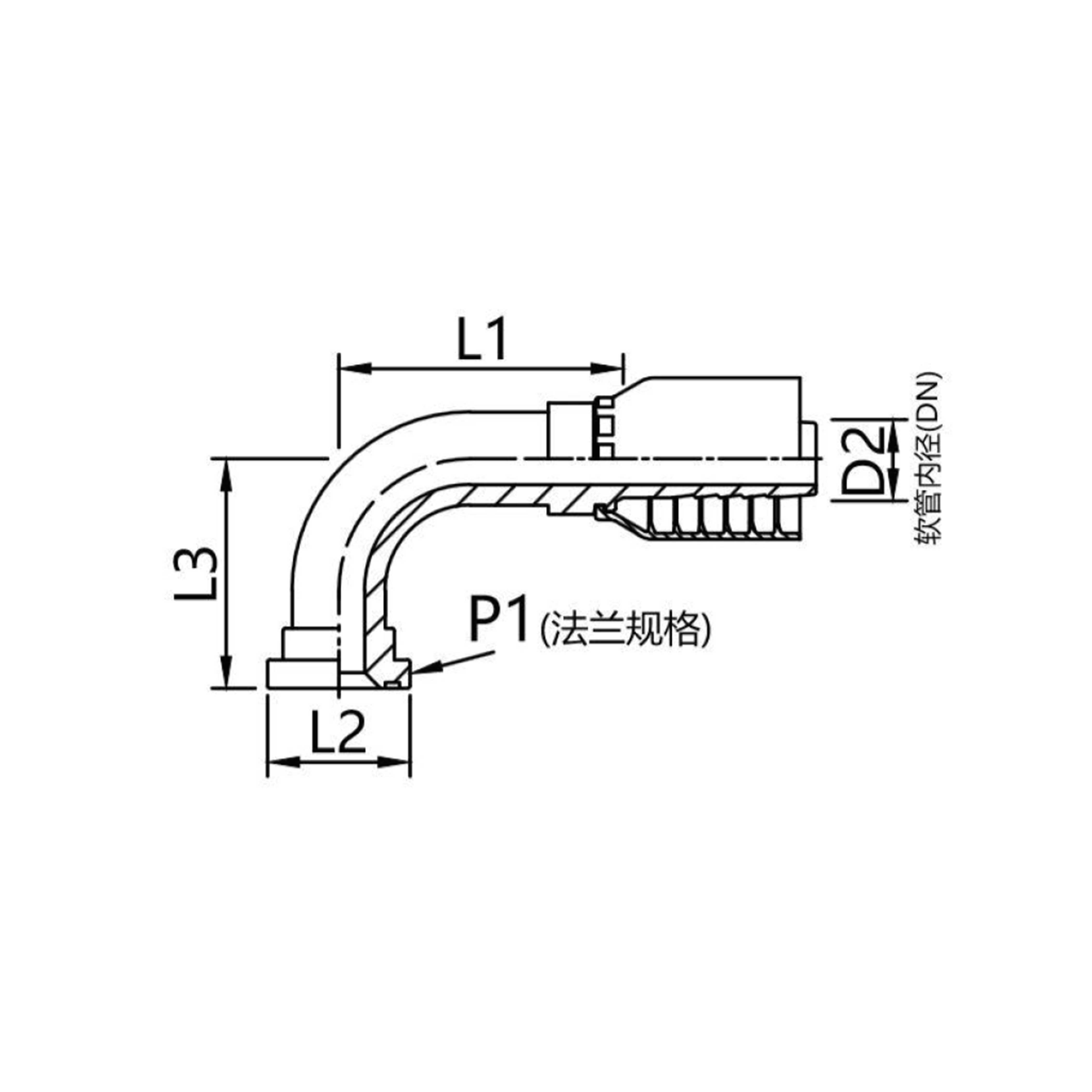
ISO 12151-3, SAE J516
Suministro estándar: acero al carbono / superficie galvanizada
87391Y para mangueras trenzadas, 87392Y para mangueras espirales
87691Y para mangueras trenzadas, 87692Y para mangueras espirales
+86 0551-67291852
ISO 12151-3, SAE J516
Suministro estándar: acero al carbono / superficie galvanizada
87391Y para mangueras trenzadas, 87392Y para mangueras espirales
87691Y para mangueras trenzadas, 87692Y para mangueras espirales
87391Y.pdf

