PRODUCTOS
PRODUCTOS
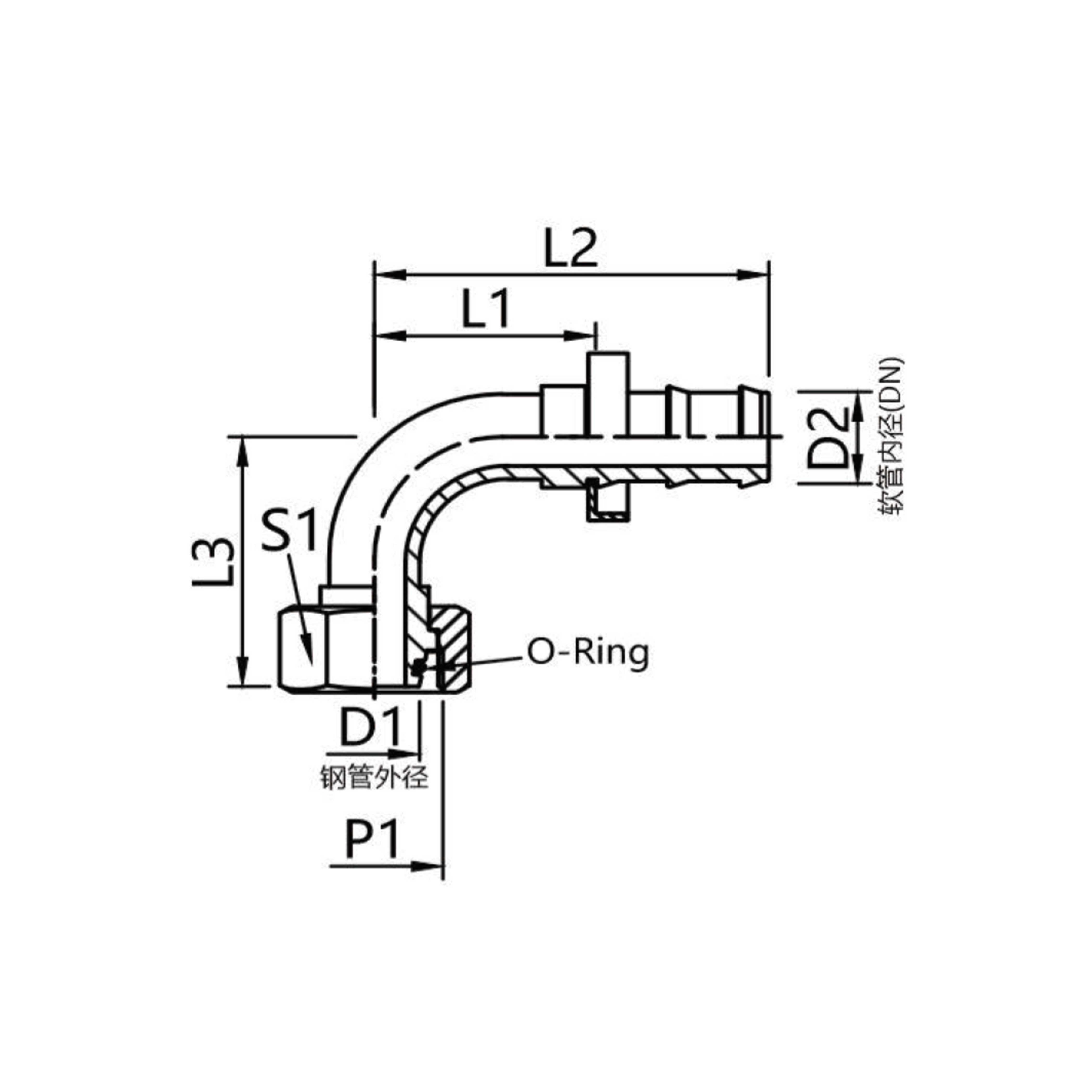
ISO 12151-2 Serie ligera – Racores 24° cónico con junta tórica
Suministro estándar: acero al carbono / superficie galvanizada, latón
Disponible con juntas de FKM (fluoroelastómero)
+86 0551-67291852
ISO 12151-2 Serie ligera – Racores 24° cónico con junta tórica
Suministro estándar: acero al carbono / superficie galvanizada, latón
Disponible con juntas de FKM (fluoroelastómero)
20491-PO.pdf

