PRODUCTOS
PRODUCTOS
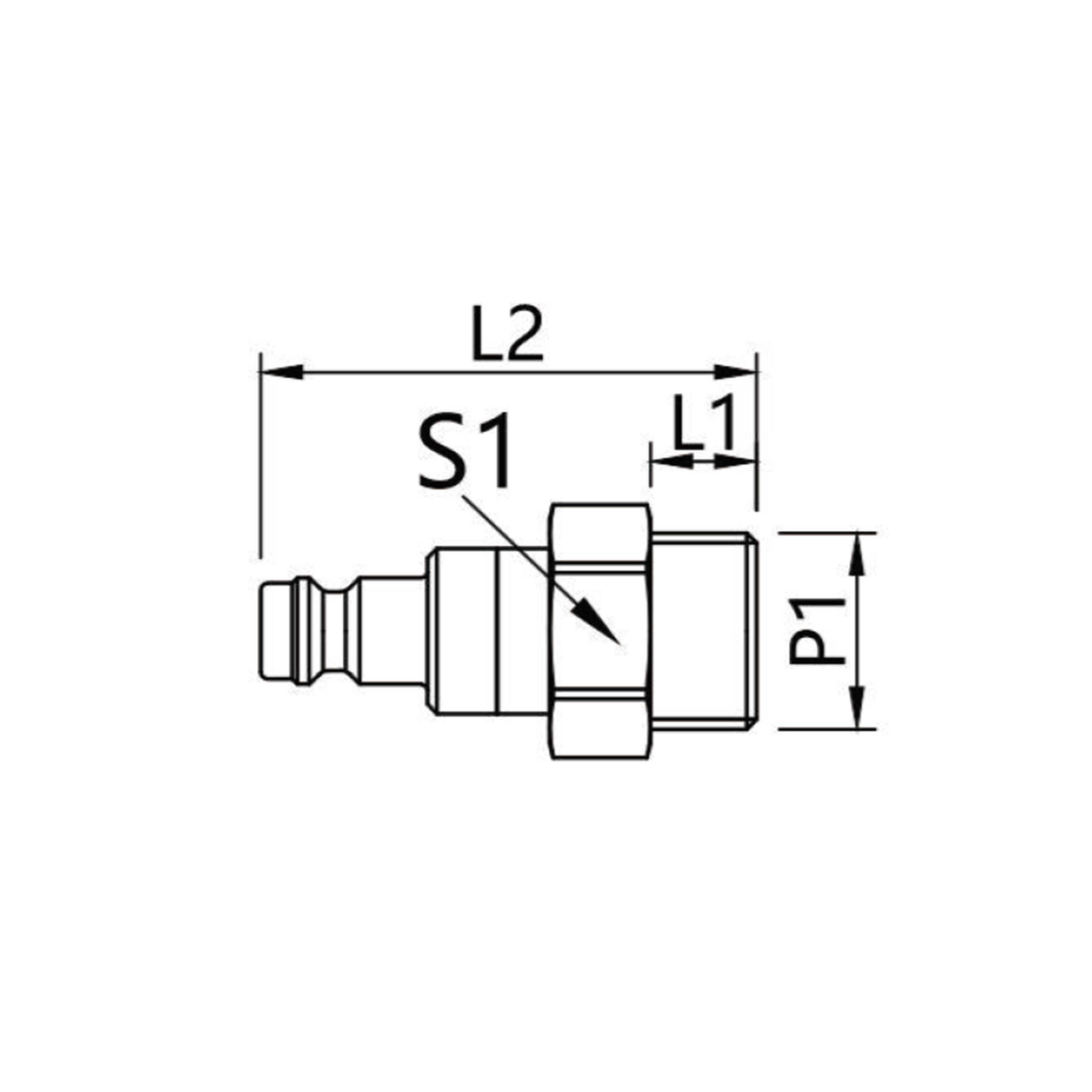
Diámetro nominal (DN): 5 = 20 mm²
Uso común: sistemas neumáticos pequeños, industria médica, química y farmacéutica
Presión de trabajo (PB): 35 bar
Temperatura de servicio:
-20 °C ~ +100 °C (NBR)
-40 °C ~ +120 °C (EPDM)
-15 °C ~ +200 °C (FKM)
+86 0551-67291852
Diámetro nominal (DN): 5 = 20 mm²
Uso común: sistemas neumáticos pequeños, industria médica, química y farmacéutica
Presión de trabajo (PB): 35 bar
Temperatura de servicio:
-20 °C ~ +100 °C (NBR)
-40 °C ~ +120 °C (EPDM)
-15 °C ~ +200 °C (FKM)
21SB AWAD.pdf

