PRODUCTOS
PRODUCTOS
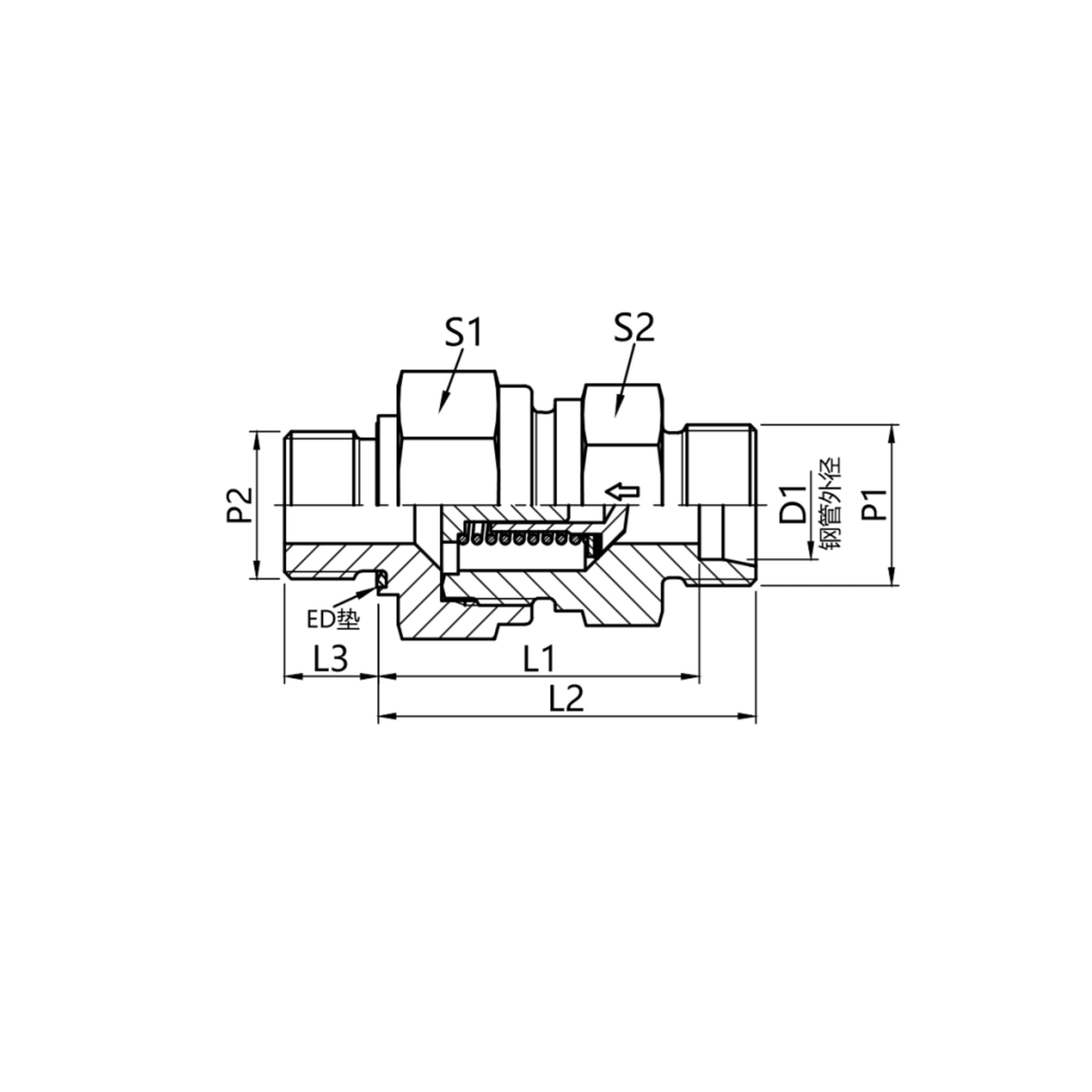
Conforme a la norma ISO 8434-1, con conexión de férula a 24°.
Suministro estándar en acero al carbono con recubrimiento galvanizado o en acero inoxidable.
Disponible con juntas de caucho fluorocarbonado (FKM).
+86 0551-67291852
Conforme a la norma ISO 8434-1, con conexión de férula a 24°.
Suministro estándar en acero al carbono con recubrimiento galvanizado o en acero inoxidable.
Disponible con juntas de caucho fluorocarbonado (FKM).
RHZ-R-ED.pdf

