ES

ES

PRODUCTOS

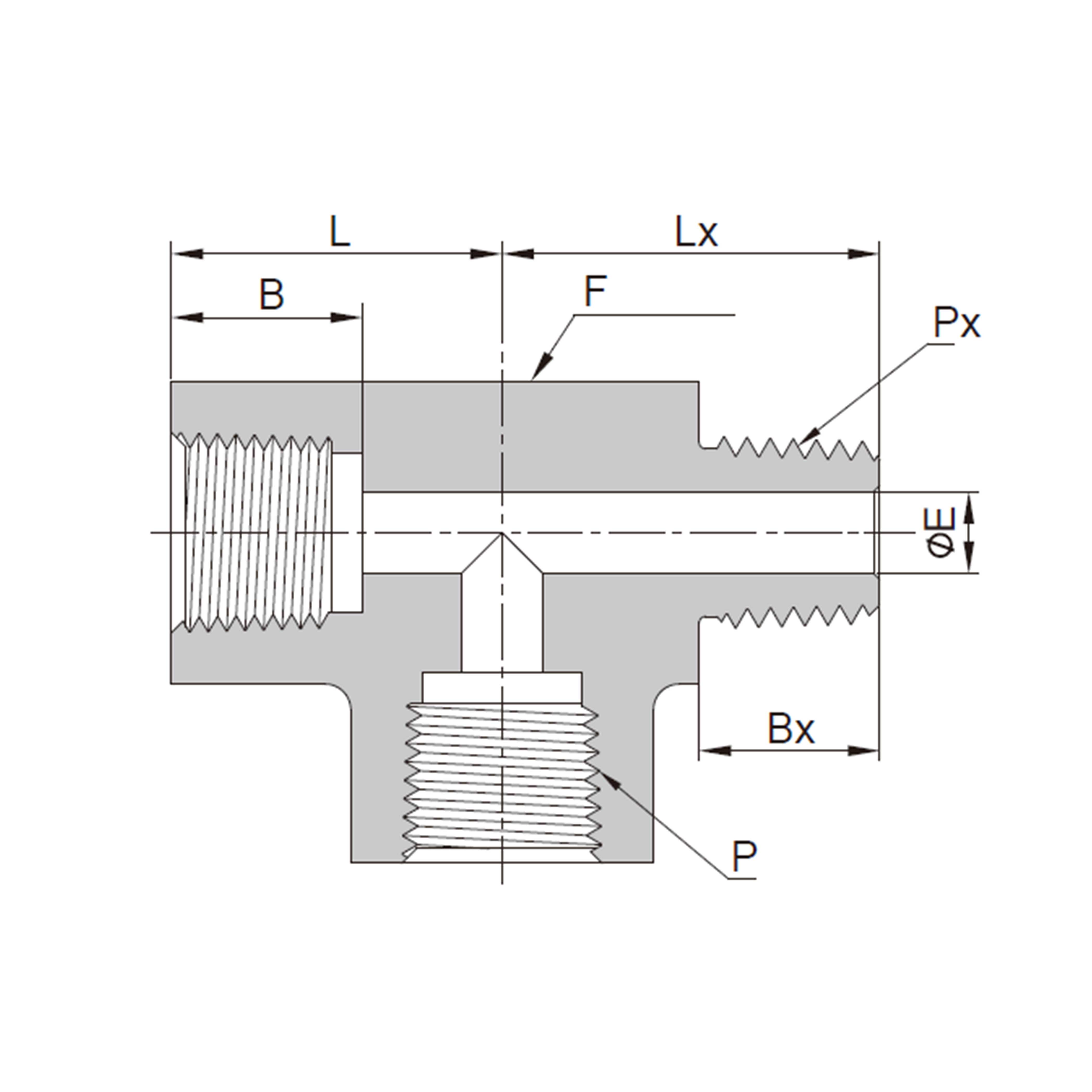
Tee Lateral Macho

Producto:

Tee Lateral Macho

Descripción:

Unión en T lateral con rosca extern

Consulte ahora

+86 0551-67291852

WhatsApp

Detalles del producto

                                                                                                                                                                                                 Male Street Tees(图1)Tee Lateral Macho

QQ20250516-110044.png