PRODUCTOS
PRODUCTOS
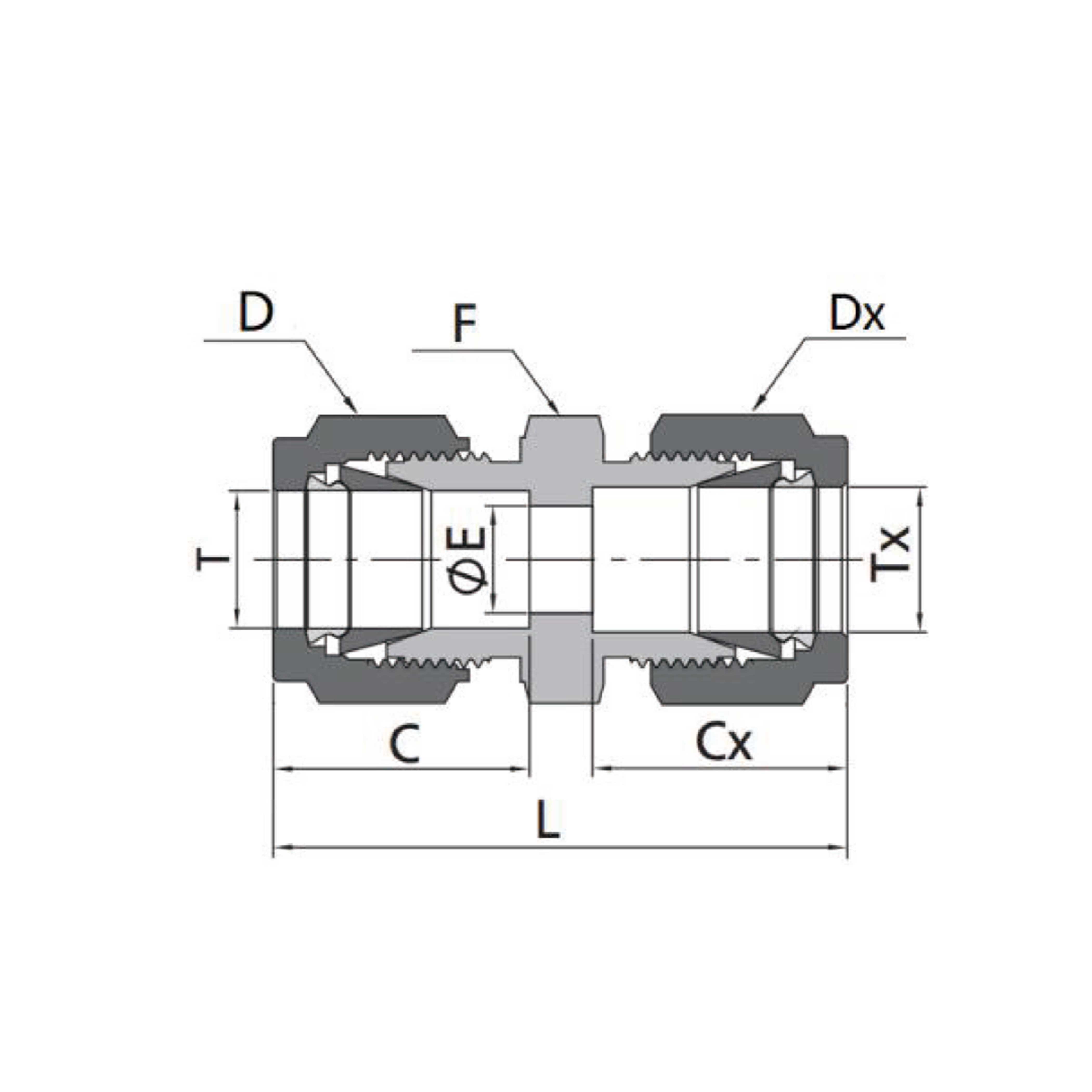
Conector recto para transición de tamaños o roscas.
+86 0551-67291852

