Hex Nipples(Male JIC to Male JIC)
Hex Long Nipples
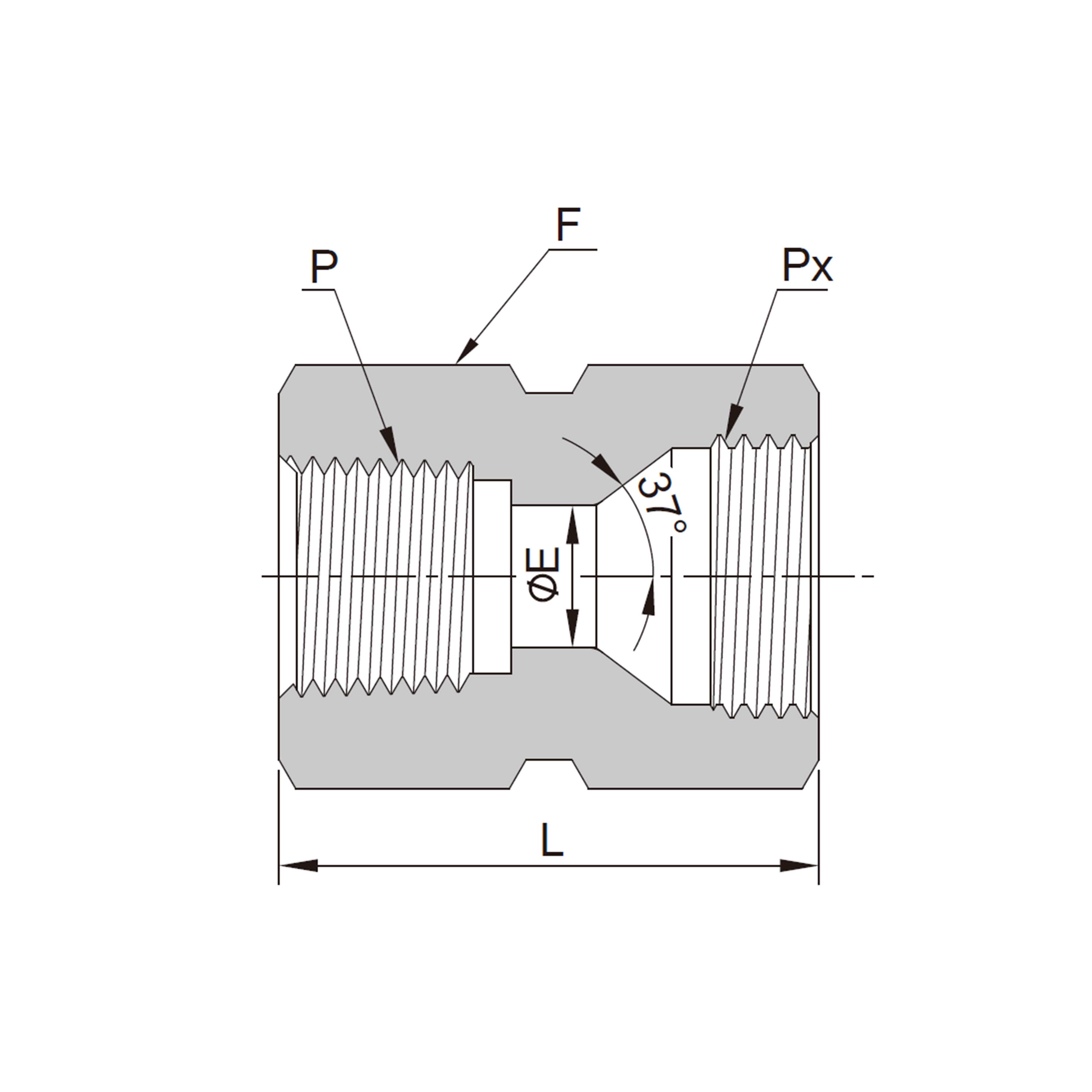
Hex Couplings(Male NPT ThreadsMale ISO Tapered Threads)
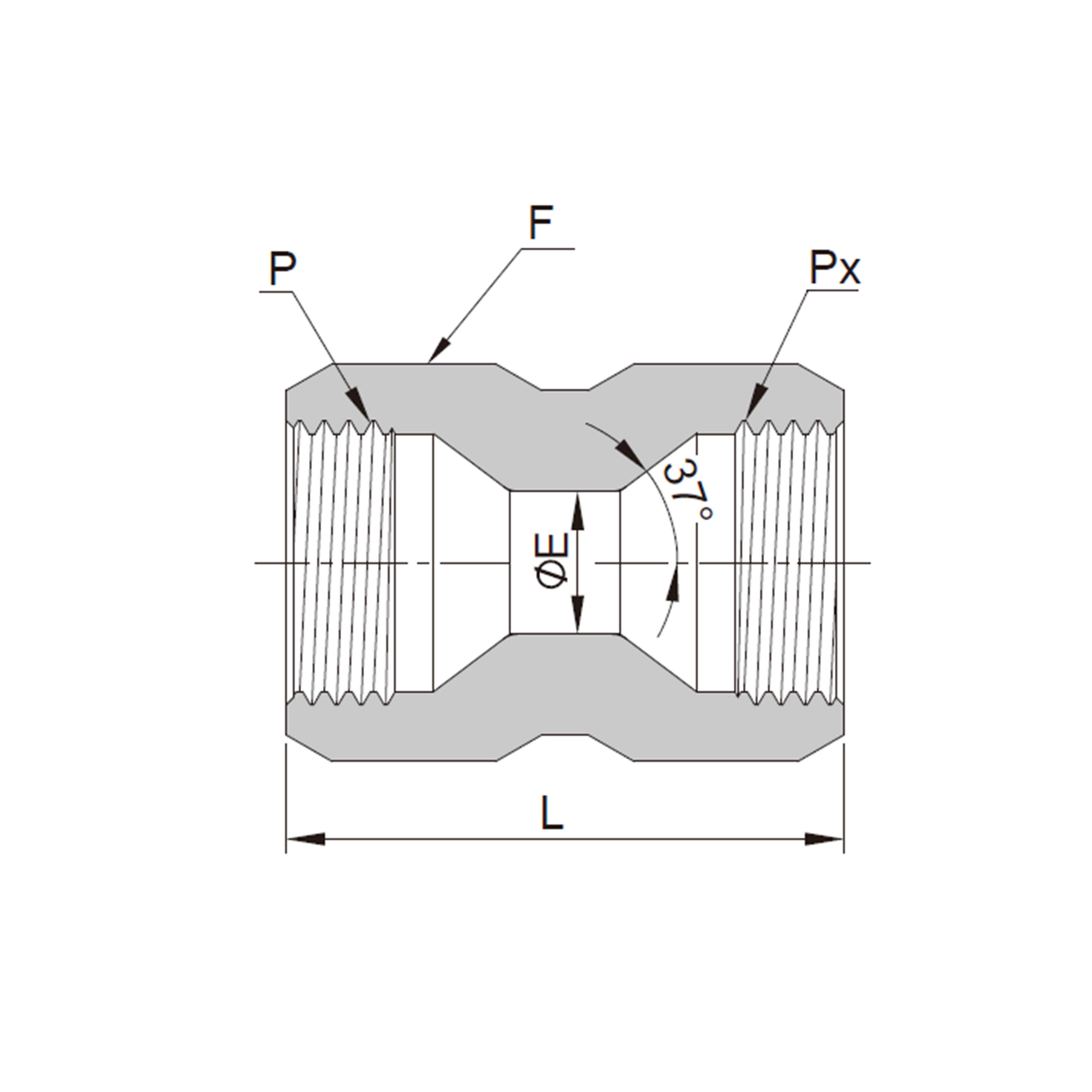
Hex Couplings(Female NPT Threads to Female JIC)
Hex Couplings(Female JIC)
Zero-Clearance Unions
