EN

EN

PRODUCTS

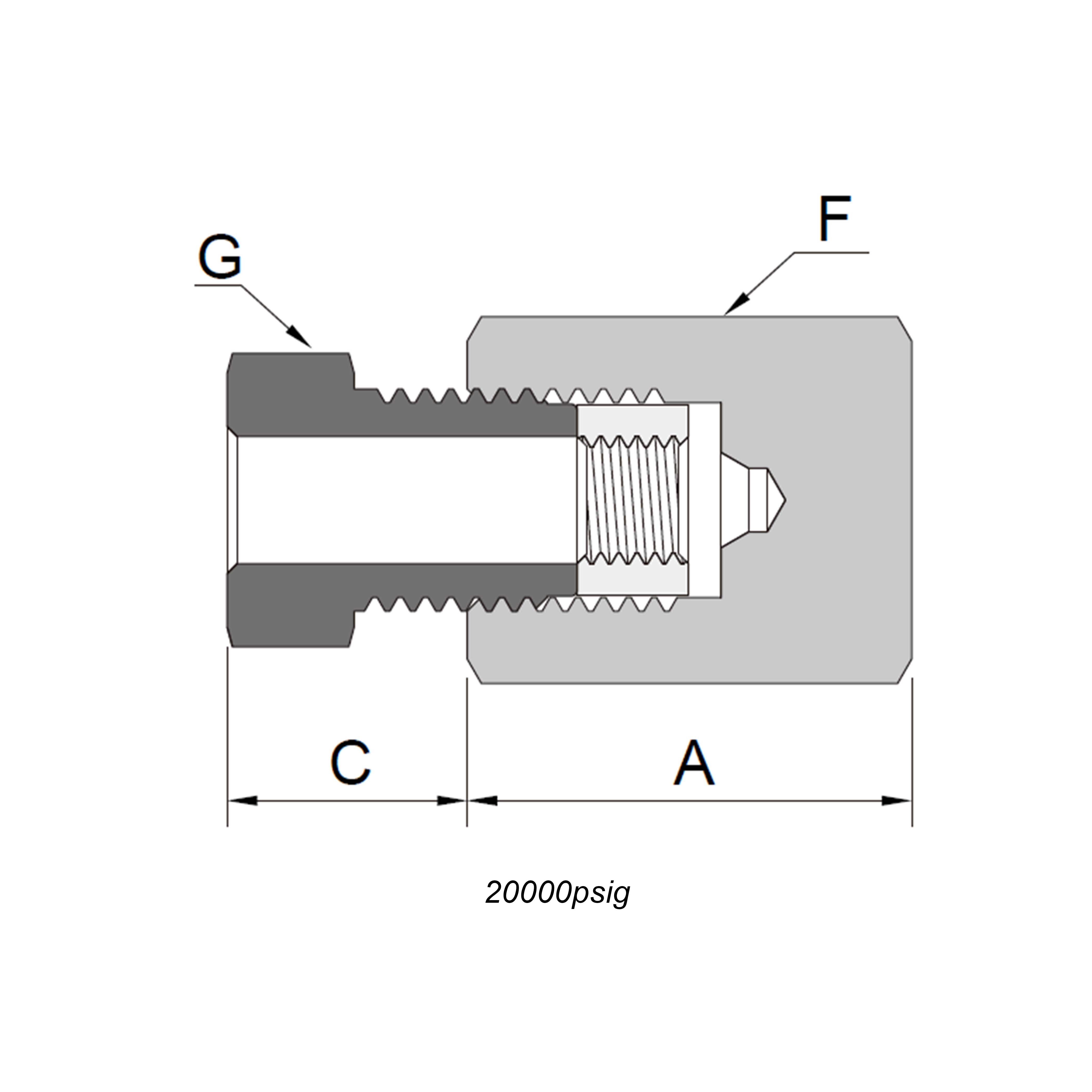
Caps

Product:

Caps

Description:

Caps

Consult Now

+86 0551-67291852

WhatsApp

Product Details

                                                                                                                                                                                                                   Caps(图1)Caps.pdf

QQ20250515-092745.png