EN

EN

PRODUCTS

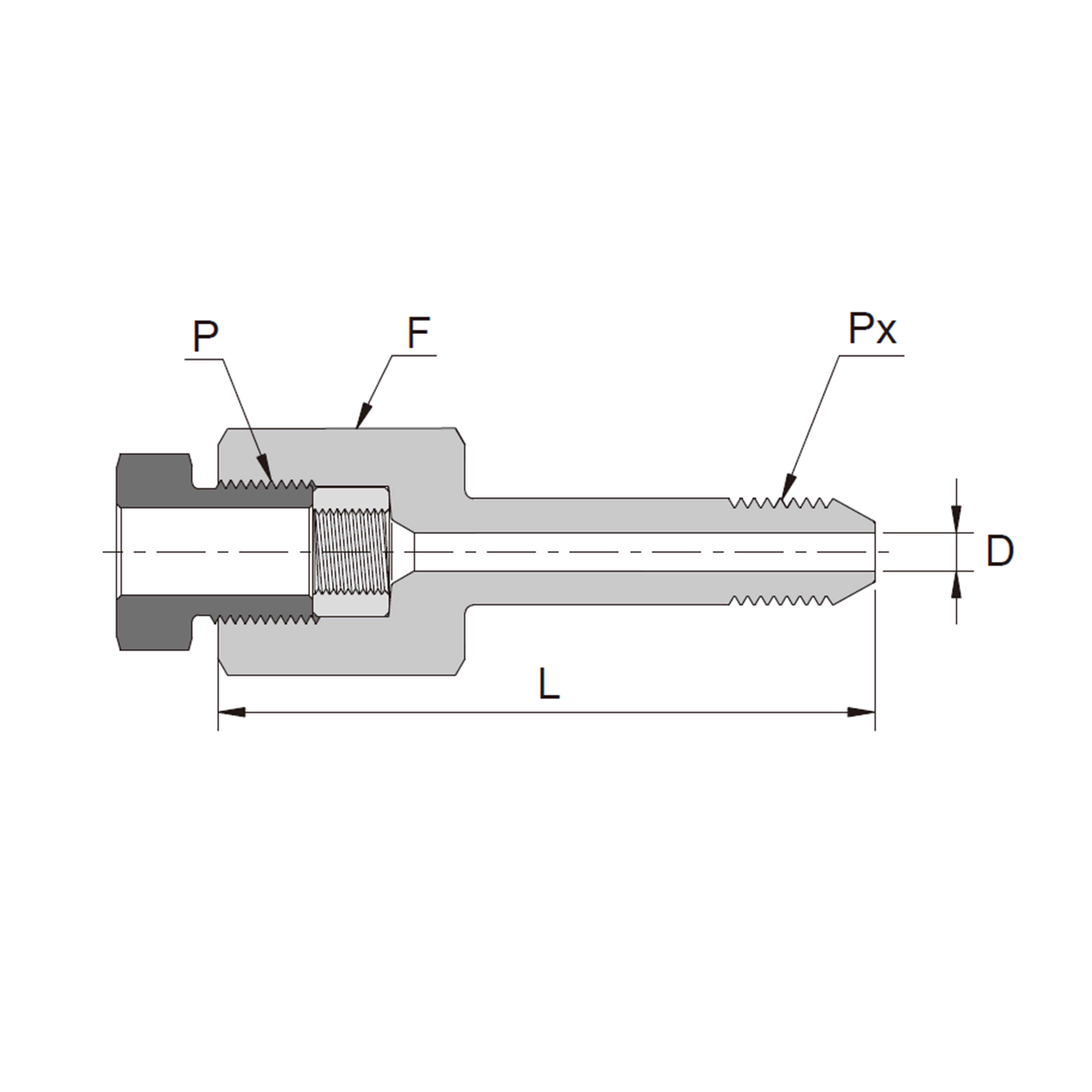
‌MP Internal to MP Taper Pipe Thread Adapter

Product:

‌MP Internal to MP Taper Pipe Thread Adapter

Description:

‌MP Internal to MP Taper Pipe Thread Adapter

Consult Now

+86 0551-67291852

WhatsApp

Product Details

                                                                                                                                                  ‌MP Internal to MP Taper Pipe Thread Adapter(图1)‌MP Internal to MP Taper Pipe Thread Adapter.pdf

QQ20250515-135015.png