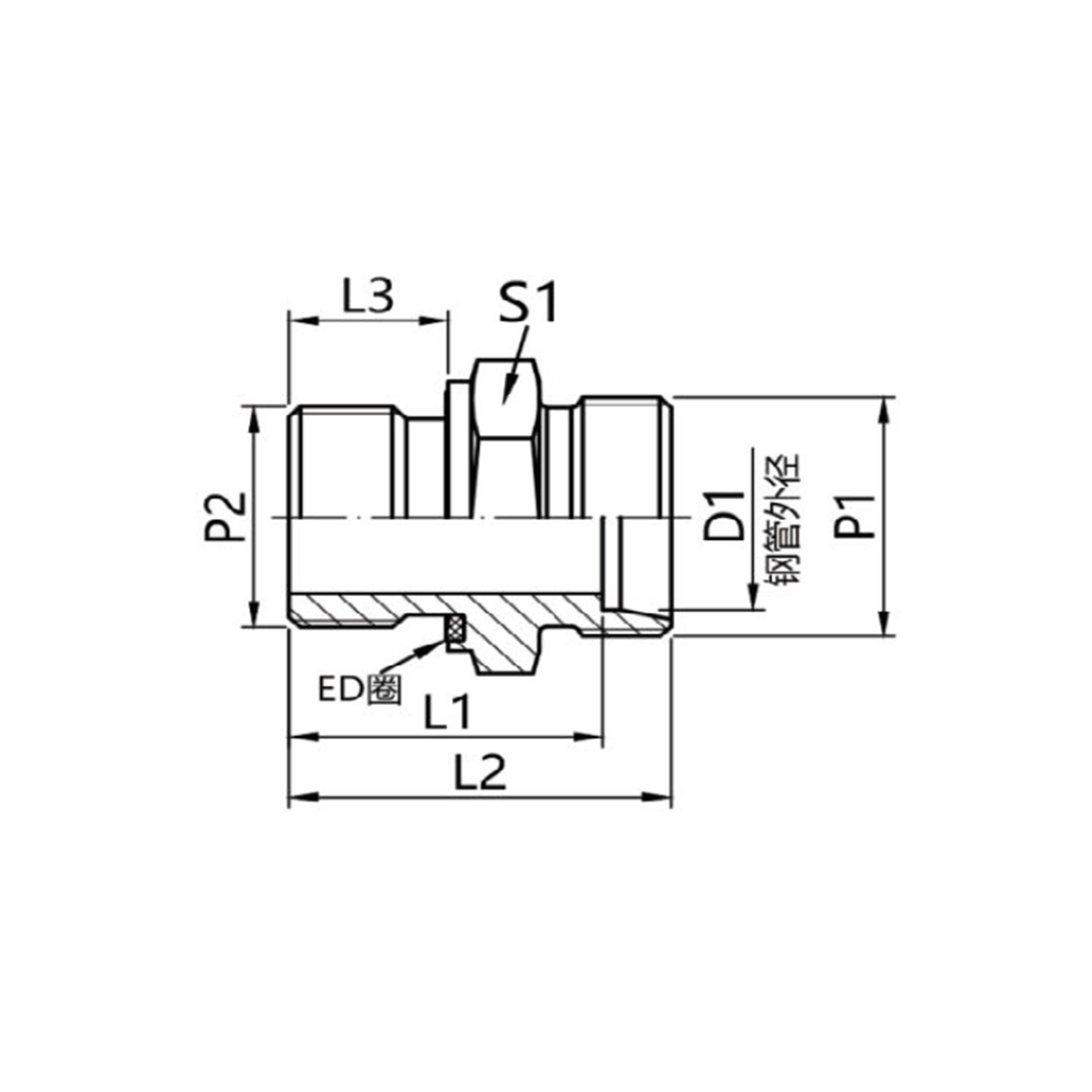
Complies with lSO8434-1, 24° ferrule connection
Commonlyavailable carbon steel/galvanized surface, stainless steel
Fluororubber sealing ring available
+86 0551-67291852
Complies with lSO8434-1, 24° ferrule connection
Commonlyavailable carbon steel/galvanized surface, stainless steel
Fluororubber sealing ring available
GE-M-ED.pdf

