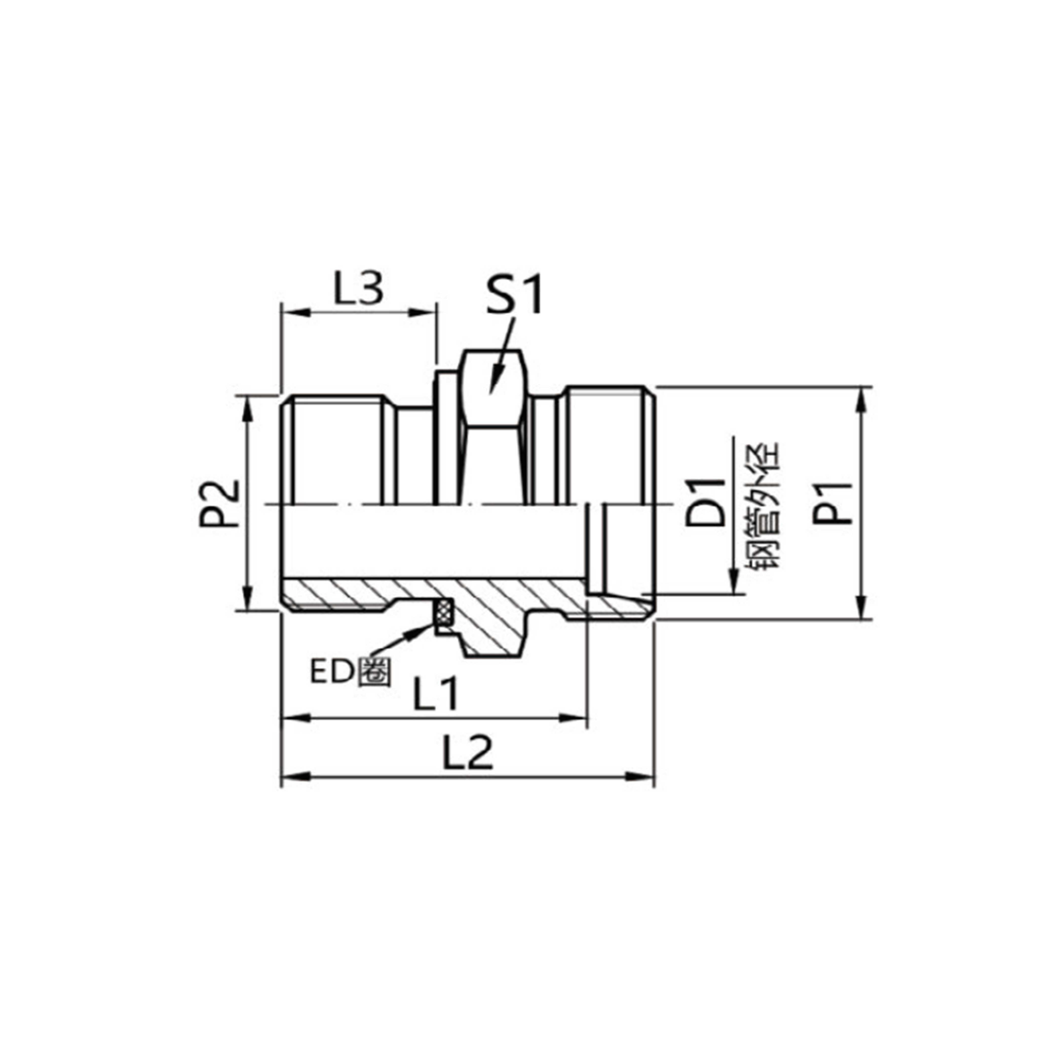
Complies with lSO8434-1,24° ferrule connection
Commonly available carbon steel/galvanized surface, stainless steel
Fluororubber sealing ring available
+86 0551-67291852
Complies with lSO8434-1,24° ferrule connection
Commonly available carbon steel/galvanized surface, stainless steel
Fluororubber sealing ring available
GE-R-ED.pdf

