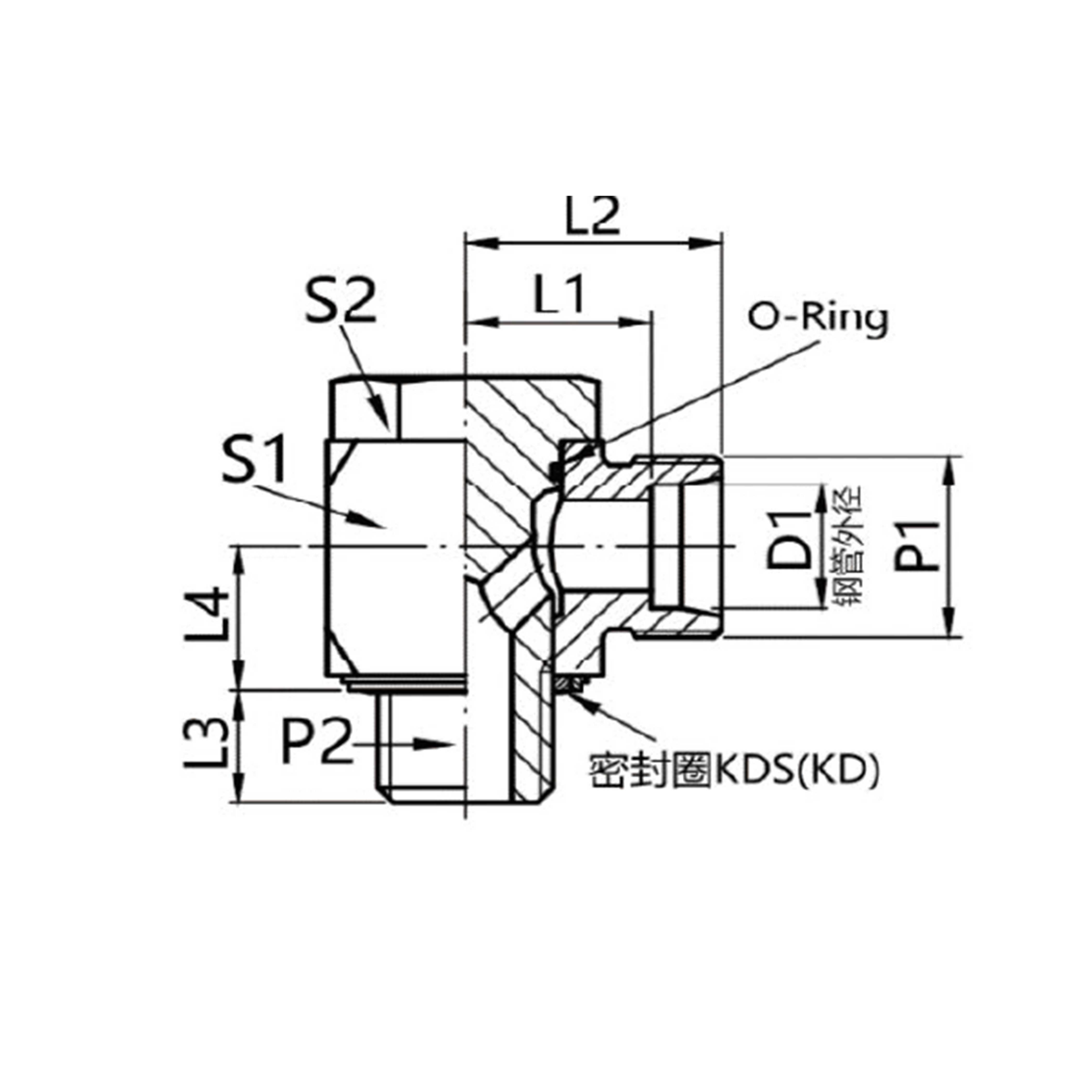
Comply with lSO8434-1, 24° ferrule connection
Generallysupplied carbon steel/galvanized surface, stainless stee
+86 0551-67291852
Comply with lSO8434-1, 24° ferrule connection
Generallysupplied carbon steel/galvanized surface, stainless stee
WH-R-KDS.pdf

