ISO 12151-3, SAE J516
Generally available carbon steel/galvanized surface
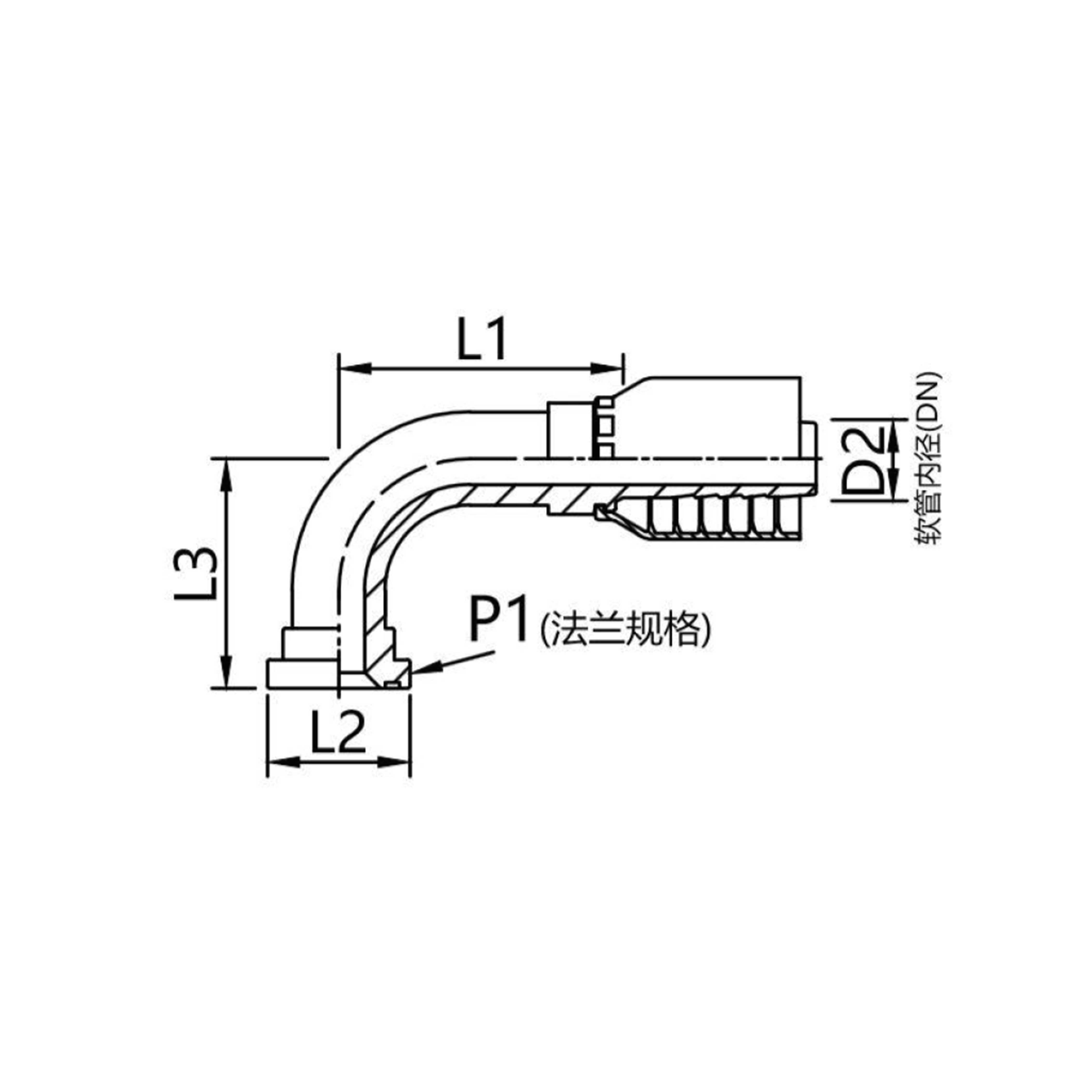
87391Y for braided hose, 87392Y for spiral hose
87391Y for braided hose,87392Y for spiral hose
+86 0551-67291852
ISO 12151-3, SAE J516
Generally available carbon steel/galvanized surface
87391Y for braided hose, 87392Y for spiral hose
87391Y for braided hose,87392Y for spiral hose
87391Y.pdf

