EN

EN

PRODUCTS

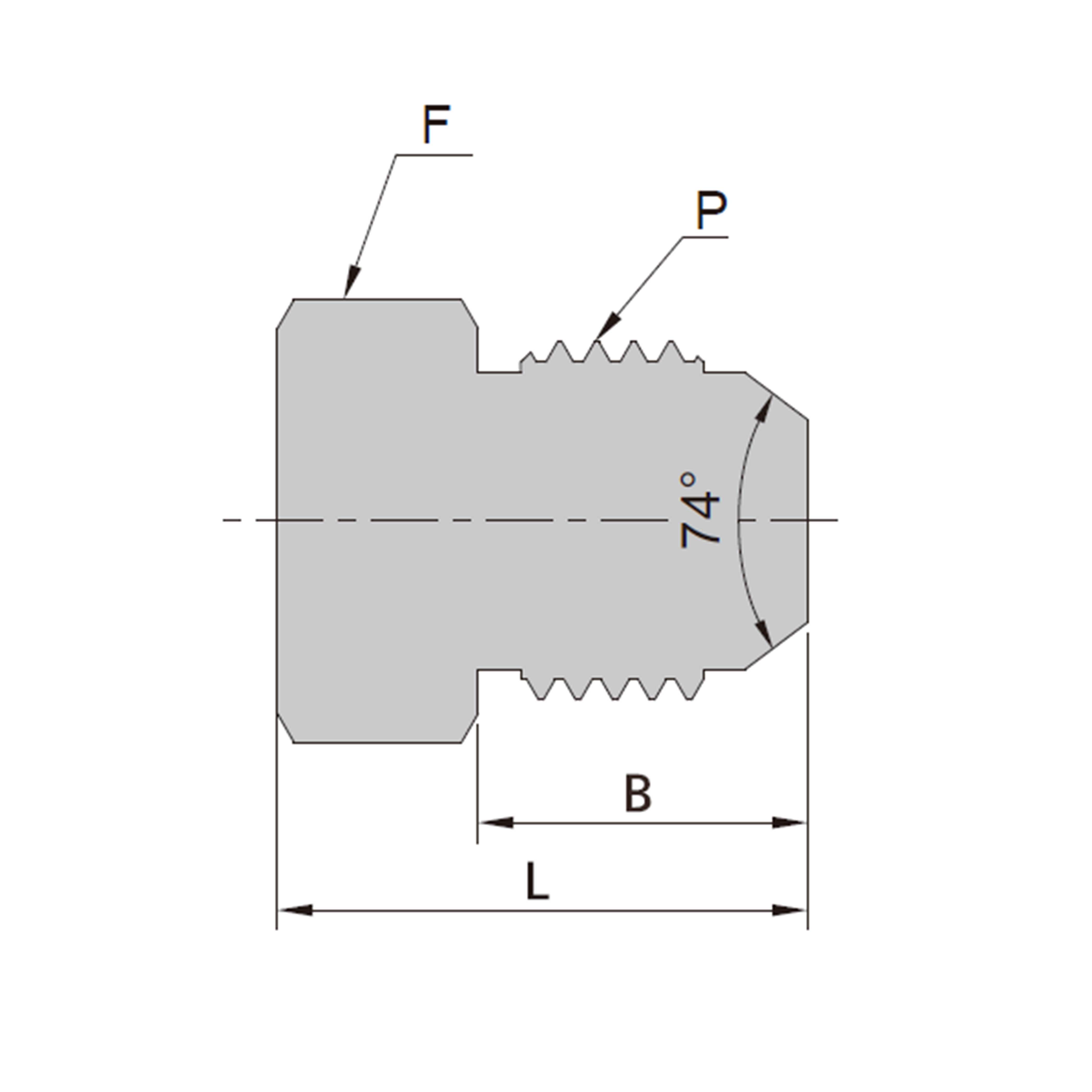
Male NPT Threads(Male JIC)

Product:

Male NPT Threads(Male JIC)

Description:

Male NPT Threads(Male JIC)

Consult Now

+86 0551-67291852

WhatsApp

Product Details

                                                                                                                                                                                                            Male NPT Threads(Male JIC)(图1)Male JIC.pdf

QQ20250516-112507.png